産(chan)品概(gai)述
GR900D智(zhi)能漏(lou)電火(huo)災報(bao)警裝(zhuang)置是(shi)專門(men)用于(yu)防止(zhi)電氣(qi)或線(xian)😁路對(dui)地漏(lou)電造(zao)成火(huo)災的(de)智能(neng)式全(quan)自動(dong)防火(huo)保護(hu)裝置(zhi)。裝置(zhi)采用(yong)了先(xian)進的(de)微電(dian)腦控(kong)制,能(neng)實時(shi)、準确(que)、在線(xian)監控(kong)供電(dian)線路(lu)運行(hang)情況(kuang),GR900D可與(yu)感溫(wen)探頭(tou)、可燃(ran)氣體(ti)探測(ce)器、感(gan)煙探(tan)頭以(yi)及其(qi)它感(gan)應器(qi)産生(sheng)聯👌動(dong)控制(zhi),配置(zhi)😺有溫(wen)度傳(chuan)感器(qi)接口(kou),實現(xian)😥高溫(wen)報警(jing)功能(neng);自帶(dai)RS485通訊(xun)接口(kou),信息(xi)上傳(chuan)到監(jian)控主(zhu)機。GR900D還(hai)能高(gao)精度(du)測量(liang)各種(zhong)電力(li)參數(shu)。另外(wai)本保(bao)護裝(zhuang)置還(hai)配備(bei)了防(fang)雷功(gong)能,适(shi)用于(yu)TT、IT、TN-S、TN-C-S多種(zhong)配電(dian)系統(tong)。
性能(neng)特點(dian)
集保(bao)護功(gong)能和(he)測量(liang)功能(neng)于一(yi)體,額(e)定電(dian)流400A以(yi)下,測(ce)量互(hu)感器(qi)和漏(lou)電電(dian)流互(hu)感器(qi)集成(cheng)安裝(zhuang)在裝(zhuang)置内(nei)。額定(ding)🧑🏾🎄電流(liu)😈100A以下(xia),可選(xuan)擇将(jiang)短路(lu)器安(an)裝在(zai)裝置(zhi)内。
具(ju)有漏(lou)電保(bao)護、高(gao)溫保(bao)護,更(geng)可選(xuan)擇短(duan)路保(bao)護、定(ding)時限(xian)過負(fu)荷保(bao)護、反(fan)時限(xian)過負(fu)荷保(bao)護、過(guo)壓保(bao)護、欠(qian)壓保(bao)護、缺(que)相保(bao)護🎅🏿等(deng)功😸能(neng),保證(zheng)用電(dian)安全(quan),杜絕(jue)電氣(qi)安👀全(quan)隐患(huan)。
可與(yu)感溫(wen)探頭(tou)、感煙(yan)探頭(tou)、可燃(ran)氣體(ti)探測(ce)器等(deng)感應(ying)器連(lian)接,實(shi)😍現聯(lian)動報(bao)警動(dong)作功(gong)能。
具(ju)有消(xiao)防聯(lian)動功(gong)能。
具(ju)有聲(sheng)光報(bao)警動(dong)作、設(she)備自(zi)檢功(gong)能,内(nei)置蜂(feng)鳴器(qi),本地(di)可消(xiao)音,解(jie)除報(bao)警。
實(shi)現高(gao)精度(du)電量(liang)測量(liang)。
提供(gong)溫度(du)傳感(gan)器接(jie)口。
具(ju)有語(yu)音撥(bo)号報(bao)警功(gong)能,支(zhi)持報(bao)警語(yu)音信(xin)息的(de)錄音(yin)功能(neng)。
采用(yong)RS485通訊(xun)接口(kou)和标(biao)準MODBUS規(gui)約,可(ke)将各(ge)種信(xin)息等(deng)上傳(chuan)到後(hou)台監(jian)👩🏽🐰👩🏿控主(zhu)機,構(gou)成消(xiao)防監(jian)控中(zhong)心,實(shi)現遠(yuan)方集(ji)中管(guan)理和(he)監控(kong)。
采用(yong)PVC面闆(pan),外觀(guan)美觀(guan),體積(ji)小,重(zhong)量輕(qing),操作(zuo)靈敏(min)方便(bian),采用(yong)壁挂(gua)式👩🍼安(an)裝,安(an)裝方(fang)便。
具(ju)有SOE事(shi)件記(ji)錄功(gong)能,便(bian)于故(gu)障分(fen)析事(shi)件原(yuan)因。
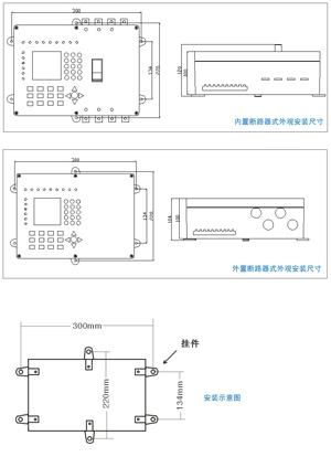
外(wai)形尺(chi)寸和(he)安裝(zhuang)示意(yi)圖
